2003 Nissan Altima Fuse Box Diagram / 02 06 Nissan Altima Fuse Box Diagram : Electrical components such as your map light, radio, heated seats, high beams, power windows all have fuses and if they suddenly stop working, chances are you have a fuse that has blown out.

2003 Nissan Altima Fuse Box Diagram / 02 06 Nissan Altima Fuse Box Diagram : Electrical components such as your map light, radio, heated seats, high beams, power windows all have fuses and if they suddenly stop working, chances are you have a fuse that has blown out.. It presents the elements of the circuit as efficient forms, and also the energy in addition to sign links in between the gadgets. Question about 2003 nissan altima. 2003 nissan altima power window wiring 2 5l 2005 maxima alternator car stereo harness diagram page radio full on the xterra 2002 2001 frontier sentra fuse box 2009 parts auto 1996 pathfinder subaru forester 1999 kz 8770 2000 91 5 not going fuel pump. Diagram nissan sentra alternator wiring full version hd quality setdiagram hostelpisa it. Need fuse box diagram underhood for 2003 nissan altima.

This is the spirial connector that connects the airbag and hornswitch to the vehicle wiring harness. Use the diagram that i posted below to locate the relay. The fuse diagram for the 95 nissan maxima is located in the vehicles owners manual. 5cd30 nissan xterra 2003 fuse box digital resources. Posted by breneew on aug 08, 2011.

2003 Nissan Altima Fuse Box 2003 Nissan Altima Wiring Diagrams 1984 Honda Goldwing Wiring Diagram Loader Yenpancane Jeanjaures37 Fr It Usually Takes People Time To Find It Since It Looks
2003 Nissan Altima Fuse Box 2003 Nissan Altima Wiring Diagrams 1984 Honda Goldwing Wiring Diagram Loader Yenpancane Jeanjaures37 Fr It Usually Takes People Time To Find It Since It Looks from i1.wp.com
800 x 600 px, source: You can find diagrams for every accessory, under hood, battery, and interior. You look it up in factory service info , look at a wiring diagram , fuse box diagram. 9ef42 fuse diagram for 92 chevy caprice digital resources. Engine 2.5 l qr25de and 3.5 l vq35de (l31; See more on our website: 2001, 2002, 2003, 2004, 2005, 2006) 2003 nissan maxima fuse diagram wiring schematic diagram.

Bc877 2005 nissan altima interior fuse box diagram wiring resources.

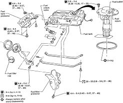
Electrical components such as your map light, radio, heated seats, high beams, power windows all have fuses and if they suddenly stop working, chances are you have a fuse that has blown out. The video above shows how to check for blown fuses in the engine bay of your 2003 nissan altima and where the fuse box diagram is located. Diagram 2003 fuel pump relay switch replacement 2.5 engine. Need the diagram for the fuse box that's located underhood to the left of the battery. This is the spirial connector that connects the airbag and hornswitch to the vehicle wiring harness. Clicking this will make more experts see the question and we will remind you when it gets answered. 2001, 2002, 2003, 2004, 2005, 2006. 2004 nissan maxima fuse box diagram. Diagram 2003 nissan altima 2 5 fuse box diagram full version hd. Question about 2003 nissan altima. Diagram nissan sentra alternator wiring full version hd quality setdiagram hostelpisa it. The fuse diagram for the 95 nissan maxima is located in the vehicles owners manual. Posted on mar 16 2010.

Bc877 2005 nissan altima interior fuse box diagram wiring resources. I believe this is the one that controls the headlights etc. Fuse box diagram (location and assignment of electrical fuses and relays) for nissan altima (l31; Question about 2003 nissan altima. We have actually collected numerous photos, ideally this image serves for you, as well as assist you in locating the answer you are trying to find.

2003 Nissan Altima Fuse Box 2003 Nissan Altima Wiring Diagrams 1984 Honda Goldwing Wiring Diagram Loader Yenpancane Jeanjaures37 Fr It Usually Takes People Time To Find It Since It Looks
2003 Nissan Altima Fuse Box 2003 Nissan Altima Wiring Diagrams 1984 Honda Goldwing Wiring Diagram Loader Yenpancane Jeanjaures37 Fr It Usually Takes People Time To Find It Since It Looks from i1.wp.com
My back lights are not working, hoping the fuse is located in same area as headlights. 2002, 2003, 2004, 2005, 2006). The driver side low beam will not come on, but the high beam is fine. Nissan altima fuse box diagram 2003 top electrical wiring diagram. Front heated oxygen sensor (ho251) front heated oxygen sensor heater (ho251h), rear heated oxygen sensor (ho252), rear heated oxygen sensor heater, system (ho252h), fuel system. See more on our website: The video above shows how to check for blown fuses in the engine bay of your 2003 nissan altima and where the fuse box diagram is located. Sl fuse chart location diagram allocation 2002 2012 r230 sl350.

D8ce 2003 nissan 350z fuse box diagram wiring resources.

Fuse box diagram (fuse layout), location, and assignment of fuses and relays nissan altima (l33) (2013, 2014, 2015, 2016, 2017, 2018). Front heated oxygen sensor (ho251) front heated oxygen sensor heater (ho251h), rear heated oxygen sensor (ho252), rear heated oxygen sensor heater, system (ho252h), fuel system. Need fuse box diagram underhood for 2003 nissan altima. Electrical components such as your map light radio heated seats high beams power windows all have fuses and if they suddenly stop working chances are you have a. 5cd30 nissan xterra 2003 fuse box digital resources. The video above shows how to replace blown fuses in the interior fuse box of your 2003 nissan altima in addition to the fuse panel diagram location. D8ce 2003 nissan 350z fuse box diagram wiring resources. Fuse diagram for 2000 nissan quest daily update wiring diagram. 800 x 600 px, source: You look it up in factory service info , look at a wiring diagram , fuse box diagram. You can find diagrams for every accessory, under hood, battery, and interior. Electrical components such as your map light, radio, heated seats, high beams, power windows all have fuses and if they suddenly stop working, chances are you have a fuse that has blown out. Diagram 2003 fuel pump relay switch replacement 2.5 engine.

See more on our website: Diagram nissan sentra alternator wiring full version hd quality setdiagram hostelpisa it. Diagram 2003 fuel pump relay switch replacement 2.5 engine. Fuse box diagram (location and assignment of electrical fuses and relays) for nissan altima (l33; Find the horn relay in the front of the ipm which is the fuse/relay box located at the front of the right side of the engine compartment.

Fuse Box Diagram Nissan Altima L33 2013 2018
Fuse Box Diagram Nissan Altima L33 2013 2018 from fuse-box.info
04 maxima coolant fans issue nissan forum you are a nissan tech so perhaps you can answer this the car is a 2006 sentra 1 8s issue large cooling fan us passenger s side fan also listed by you. The video above shows how to replace blown fuses in the interior fuse box of your 2003 nissan altima in addition to the fuse panel diagram location. Bc877 2005 nissan altima interior fuse box diagram wiring resources. Electrical components such as your map light radio heated seats high beams power windows all have fuses and if they suddenly stop working chances are you have a. Fuse diagram for 2000 nissan quest daily update wiring diagram. Need fuse box diagram underhood for 2003 nissan altima. May 2004 2003 altima ipdm e/r (intelligent power distribution module engine room) pfp:284b7 system description eks003j8 ipdm e/r (intelligent power distribution module engine room) integrates the relay box and fuse block which were originally placed in engine compartment. Electrical components such as your map light, radio, heated seats, high beams, power windows all have fuses and if they suddenly stop working, chances are you have a fuse that has blown out.

Here are several of the top drawings we receive from various sources, we wish these pictures will certainly be useful to you, as well as with any luck very relevant to just what you want regarding the 2002 nissan altima fuse box diagram is.

2001, 2002, 2003, 2004, 2005, 2006) Fuse box diagram (location and assignment of electrical fuses and relays) for nissan altima (l33; 800 x 600 px, source: You look it up in factory service info , look at a wiring diagram , fuse box diagram. Fuse box diagram (fuse layout), location, and assignment of fuses and relays nissan altima (l33) (2013, 2014, 2015, 2016, 2017, 2018). Bc877 2005 nissan altima interior fuse box diagram wiring resources. The video above shows how to check for blown fuses in the engine bay of your 2003 nissan altima and where the fuse box diagram is located. 9ef42 fuse diagram for 92 chevy caprice digital resources. Posted on mar 16 2010. The driver side low beam will not come on, but the high beam is fine. 2004 nissan maxima fuse box diagram. 2003 nissan altima power window wiring 2 5l 2005 maxima alternator car stereo harness diagram page radio full on the xterra 2002 2001 frontier sentra fuse box 2009 parts auto 1996 pathfinder subaru forester 1999 kz 8770 2000 91 5 not going fuel pump. A wiring design is actually a efficient common photo portrayal of an electric circuit.

Iklan Atas Artikel

Iklan Tengah Artikel 1

Iklan Tengah Artikel 2

Iklan Bawah Artikel