Wiring Led Lights To A Switch / Smart Dimmer Switch For Dimmable Led Lights Single Pole Tessan Com - Led lights with 2 wires are generally going to be a single function light.

Wiring Led Lights To A Switch / Smart Dimmer Switch For Dimmable Led Lights Single Pole Tessan Com - Led lights with 2 wires are generally going to be a single function light.. 2 operating intellibrite® led lights using a wall switch (continued) saving a color mode or fixed color when power is switched off to the intellibrite ® lights, the last color show mode or fixed color will be saved. In that wire, install a diode so that when you flip the manual switch, your reverse lights don't come on. Use a relay with two wires going to the switch side of the relay. You run a black and white wire in from the bottom of the switch box (from the panel). An led controller makes this possible in more advanced light strips by using very fast switching on/off with separate wiring for each individual rgb color.

How to wire up led lights with a battery basic wiring you must use a resister to lower the power and must send the current in a circle The next time the light is powered on, the previously saved color show mode or fixed color will be displayed. The switch serves to cut the power from reaching the light switch. If your switch has spade terminals, use a spade connector. Wire the light strands into a switch.

Diy How To Connect A Battery And Led Lights With An On Off Switch Science Project For Beginners Youtube
Diy How To Connect A Battery And Led Lights With An On Off Switch Science Project For Beginners Youtube from i.ytimg.com
It's likely though, you've already read the wikipedia page about series and parallel circuits here, maybe a few other google search results on the subject and are still unclear or wanting more specific information as it pertains to leds. Led light strips contain an evenly spaced set of multiple rgb leds and resistors wired in parallel. This video will show you how to wire a series of recessed light in your ceiling. You will need to use a piece of nmd 90 lumex wire. The wire will terminate from your power panel. The other way to wire multiple lights to one switch is to connect all of them directly to the switch in a home run configuration. How to wire 12v led rocker switch simple guide and wiring explanation rocker switch wiring diagrams new wire marine 19mm led latching switch wiring diagram round rocker switch nilight 14awg 10014w led light bar wiring harness kit 2 12v wiring diagram strip lights To wire a 3 pin switch to a 5 pin rocker switch you need to find out what your 3 wires do.

If your switch has spade terminals, use a spade connector.

Once that is complete, run the rest of the light bar wiring and you are good to go. Dc 12v 20a / dc 24v 10a (ce approved). 2 operating intellibrite® led lights using a wall switch (continued) saving a color mode or fixed color when power is switched off to the intellibrite ® lights, the last color show mode or fixed color will be saved. This video will show you how to wire a series of recessed light in your ceiling. Full wiring kit for all light bars with laser rocker switch on/ off switch. I like to use the term daisy chain. Learn how to install led lights to magnetic lutron wall dimmer switch through a magnitude dimmable driver. There's a bunch of different led rocker switches out there, sometimes called carling switch. The white or neutral wire bypasses the switch and goes straight to your lights. Connect the positive wire to the positive slot and the negative wire to the negative slot on the splicer. Led rocker switch wiring diagram for the led rocker switch, pay careful attention to the position of your ground, power and acc pins, follow the diagram below, (it uses oznium's led round rocker switch with recommended mounting hole diameter of 3/4″) and you should have no problems wiring a led rocker switch: The next time the light is powered on, the previously saved color show mode or fixed color will be displayed. You connect the black wire to the switch.

2 operating intellibrite ® led lights using a wall switch (continued) saving a color mode or fixed color when power is switched off to the intellibrite ® lights, the last color show mode or fixed color will be saved. The next time the light is powered on, the previously saved color show mode or fixed color will be displayed. Dc 12v 20a / dc 24v 10a (ce approved). Use a relay with two wires going to the switch side of the relay. The white or neutral wire bypasses the switch and goes straight to your lights.

Diagram Off Road Led Light Wiring Diagram Full Version Hd Quality Wiring Diagram Outletdiagram Amfo It
Diagram Off Road Led Light Wiring Diagram Full Version Hd Quality Wiring Diagram Outletdiagram Amfo It from www.agricover.com
It's likely though, you've already read the wikipedia page about series and parallel circuits here, maybe a few other google search results on the subject and are still unclear or wanting more specific information as it pertains to leds. (red/black correspond to the wire of lights bar). Auxbeam 32 curved led light bar: It will then run into your wall mounted electrical box. Led light strips contain an evenly spaced set of multiple rgb leds and resistors wired in parallel. The switch serves to cut the power from reaching the light switch. I like to use the term daisy chain. Daisy chaining is the method of tying more than one light fixture onto a switching circuit in which the lights are placed in a parallel circuit and controlled by one switch.

The switch serves to cut the power from reaching the light switch.

I like to use the term daisy chain. Once that is complete, run the rest of the light bar wiring and you are good to go. Daisy chaining is the method of tying more than one light fixture onto a switching circuit in which the lights are placed in a parallel circuit and controlled by one switch. An led controller makes this possible in more advanced light strips by using very fast switching on/off with separate wiring for each individual rgb color. How to wire up led lights with a battery basic wiring you must use a resister to lower the power and must send the current in a circle Led light strips contain an evenly spaced set of multiple rgb leds and resistors wired in parallel. (red/black correspond to the wire of lights bar). One wire will be coming from the fuse box to your light switch. Move the wire from the resistor to the negative terminal of the battery to a good grounding point on the car's frame. If you're using 100w or less of lights, this wire should be 14 awg. Wiring led light fixtures to a switch is really quite simple. Use a relay with two wires going to the switch side of the relay. A standard single pole light switch will simply require you to attach the black (load) wire into it, and then the black wire leaving the switch and to your lights.

Just to be safe, i'd also fuse the leads going to the spdt switch too. Learn how to install led lights to magnetic lutron wall dimmer switch through a magnitude dimmable driver. Wiring four lights on one switch, or daisy chaining as it is also called, is an efficient way to control lighting for homes and business. Use a relay with two wires going to the switch side of the relay. Connect the positive wire to the positive slot and the negative wire to the negative slot on the splicer.

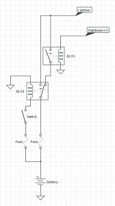
How To Wire A Relay For Off Road Led Lights By Robert Reynolds
How To Wire A Relay For Off Road Led Lights By Robert Reynolds from cdn.shopify.com
Use a relay with two wires going to the switch side of the relay. To wire a 3 pin switch to a 5 pin rocker switch you need to find out what your 3 wires do. Just to be safe, i'd also fuse the leads going to the spdt switch too. You run a black and white wire in from the bottom of the switch box (from the panel). 2 operating intellibrite® led lights using a wall switch (continued) saving a color mode or fixed color when power is switched off to the intellibrite ® lights, the last color show mode or fixed color will be saved. The next time the light is powered on, the previously saved color show mode or fixed color will be displayed. If your switch has spade terminals, use a spade connector. The dimming signal is usually connected to the lighting driver with a purple wire, which carries the 10 volt charge, and a grey wire, which is the common wire carrying the signal.

The other way to wire multiple lights to one switch is to connect all of them directly to the switch in a home run configuration.

This way, the led will light only when the switch is engaged. This video will show you how to wire a series of recessed light in your ceiling. How to wire up led lights with a battery basic wiring you must use a resister to lower the power and must send the current in a circle Just to be safe, i'd also fuse the leads going to the spdt switch too. How to wire 12v led rocker switch simple guide and wiring explanation rocker switch wiring diagrams new wire marine 19mm led latching switch wiring diagram round rocker switch nilight 14awg 10014w led light bar wiring harness kit 2 12v wiring diagram strip lights Generally a white and a black wire will be provided. The wires won't be secure, but they need to be inserted as far as they can go into the slot. Move the wire from the resistor to the negative terminal of the battery to a good grounding point on the car's frame. Hopefully those looking for practical information on electrical circuits and wiring led components found this guide first. Connect the positive wire to the positive slot and the negative wire to the negative slot on the splicer. The linked page will display all led type interior white lights suitable for use in your enclosed trailer. It's likely though, you've already read the wikipedia page about series and parallel circuits here, maybe a few other google search results on the subject and are still unclear or wanting more specific information as it pertains to leds. Wire the light strands into a switch.

Iklan Atas Artikel

Iklan Tengah Artikel 1

Iklan Tengah Artikel 2

Iklan Bawah Artikel