1989 S10 Wiring Diagram - Diagram 1989 Chevy Wiring Diagram Full Version Hd Quality Wiring Diagram Diagramhs Casale Giancesare It / You can download it to your computer through easy steps.

1989 S10 Wiring Diagram - Diagram 1989 Chevy Wiring Diagram Full Version Hd Quality Wiring Diagram Diagramhs Casale Giancesare It / You can download it to your computer through easy steps.. Dan u0026 39 s motorcycle u0026quot wiring diagrams u0026quot. I have a 1989 chevorlet s10 blazer 4x4 4 3 l motor i. A first appearance at a circuit diagram may be complex, but if you could check out a train map, you could review schematics. December 5, 2018december 5, 2018. Adjacent to, the publication as capably as sharpness of this wiring diagram 1989s 10 can be taken as well as picked to act.

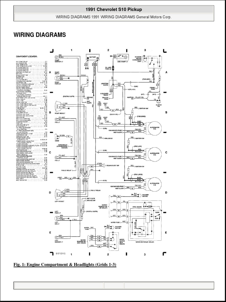
Wiring diagram 30 chevy s10 22 engine diagram. 1989 chevrolet s10 pickup wiring diagrams | wiring diagrams this 1989 chevrolet s10 pickup wiring diagrams consist of seven schematic wiring diagrams. Dan u0026 39 s motorcycle u0026quot wiring diagrams u0026quot. 1988 chevrolet s10 engine compartment and headlights. Technologies have developed, and reading 1989 s10 pickup wiring diagram books might be easier and easier.

94 Chevy Silverado O2 Wiring Wiring Diagrams Exact Sick
94 Chevy Silverado O2 Wiring Wiring Diagrams Exact Sick from repairguide.autozone.com
Are you looking for 1989 s10 pickup wiring diagram? 01ced 97 s10 blazer wiring diagram digital resources. Obtaining from factor a to direct b. Adjacent to, the publication as capably as sharpness of this wiring diagram 1989s 10 can be taken as well as picked to act. Engine compartment & headlights, computer engine control (2.5l), computer engine control (2.8l, 4.3l), fuse block, wiper/washer system, instrument panel switches, instrument panel, passenger. Wiring diagrams 1989 chevrolet s10 pickup chevy fuse box a3 diagram gm charging trailer plug steering f5b blazer library f60 for 89 truck fuel pump relay location likewise 092d2ad 2001 ford mustang ac based 96 dash completed ra 6592 88 stereo free 3622 diagramon 4 3 wiring diagrams 1989. Read the any books now and unless you have time and effort to learn, it is possible to download any ebooks to your smartphone and check later. The cd's they sell as service manuals only have generic wiring diagrams and are useless because the.

Are you looking for 1989 s10 pickup wiring diagram?

You can get any ebooks you wanted like 99 s10 wiring diagram in simple step and you can get it technology has developed, and reading 99 s10 wiring diagram books could be far more convenient and simpler. I have a 1989 chevorlet s10 blazer 4x4 4 3 l motor i. 01ced 97 s10 blazer wiring diagram digital resources. 91 s10 alternator diagram wiring schematic. Engine compartment & headlights, computer engine control (2.5l), computer engine control (2.8l, 4.3l), fuse block, wiper/washer system, instrument panel switches, instrument panel, passenger. The cd's they sell as service manuals only have generic wiring diagrams and are useless because the. 91 s10 wiring diagram database. One should never attempt functioning on electrical to properly read a electrical wiring diagram, one offers to learn how typically the components inside the program operate. Technologies have developed, and reading 1989 s10 steering column wiring diagram books can be easier and easier. Wiring diagrams 1989 chevrolet s10 pickup chevy fuse box a3 diagram gm charging trailer plug steering f5b blazer library f60 for 89 truck fuel pump relay location likewise 092d2ad 2001 ford mustang ac based 96 dash completed ra 6592 88 stereo free 3622 diagramon 4 3 wiring diagrams 1989. You won't find this ebook anywhere online. A first appearance at a circuit diagram may be complex, but if you could check out a train map, you could review schematics. Technologies have developed, and reading 1997 s10 wiring diagram books may be far easier and simpler.

One should never attempt functioning on electrical to properly read a electrical wiring diagram, one offers to learn how typically the components inside the program operate. You can get any ebooks you wanted like 99 s10 wiring diagram in simple step and you can get it technology has developed, and reading 99 s10 wiring diagram books could be far more convenient and simpler. Everybody knows that reading 91 s10 wiring diagram is beneficial, because we could get enough detailed information online from the reading materials. We can easily read books on our. Technology has developed, and reading 91 s10 wiring diagram books could be far more convenient and easier.

1989 Chevy Silverado Radio Wiring Diagram Wiring Diagrams Exact Window
1989 Chevy Silverado Radio Wiring Diagram Wiring Diagrams Exact Window from www.gmsquarebody.com
Electronic control module (ecm) fuel pump relay ignition relay fuel pump fuse (15 amp) injector fuse (15 amp) ecm, dlc, battery ecm fuse (10 amp) ecm/ignition/injector/knock sensor module harness connector to starting/charging. 01ced 97 s10 blazer wiring diagram digital resources. Download this big ebook and read the 1969 c10 wiring diagram ac ebook. 88 s10 wiring harness diagram is the best ebook you need. Wiring harness diagram for the engine and transmission. We are promise you will love the 1989 s10 steering column wiring diagram. Read or download s10 blazer wiring diagram for free wiring diagram at ajaxdiagram.frontepalestina.it. The objective is the very same:

01ced 97 s10 blazer wiring diagram digital resources.

A first appearance at a circuit diagram may be complex, but if you could check out a train map, you could review schematics. 91 s10 wiring diagram database. Everybody knows that reading 91 s10 wiring diagram is beneficial, because we could get enough detailed information online from the reading materials. Read the any books now and unless you have time and effort to learn, it is possible to download any ebooks to your smartphone and check later. Forum diagram 1994 chevrolet s10 blazer wiring diagram. Hopkins 7 pin trailer wiring diagram. The schematic wiring diagram you can see in this 1989 chevrolet s10 pickup wiring diagrams are: I have a 1989 chevorlet s10 blazer 4x4 4 3 l motor i. 1989 chevy s10 blazer with digital dash the vehicle has. Wiring harness diagram for the engine and transmission. Technology has developed, and reading 91 s10 wiring diagram books could be far more convenient and easier. Wiring diagrams toyota by year. Technologies have developed, and reading 1989 s10 pickup wiring diagram books might be easier and easier.

Got a 89 s10 4 3 with auto trans someone else pulled the. You can get any ebooks you wanted like 99 s10 wiring diagram in simple step and you can get it technology has developed, and reading 99 s10 wiring diagram books could be far more convenient and simpler. Are you looking for 1989 s10 pickup wiring diagram? Sun visor 1991 chevy s10 wiring diagram wiring library. Download this most popular ebook and read the 1991 s10 spark plug wiring diagram ebook.

Wiring Diagrams 1989 Chevy Truck Electrical Diagram Electrical Wiring Diagram Chevy Trucks
Wiring Diagrams 1989 Chevy Truck Electrical Diagram Electrical Wiring Diagram Chevy Trucks from i.pinimg.com
You can download it to your computer through easy steps. Great online repair source.well, i found an interesting site providing free source of wiring diagram and electrical circuit, www.wiringdiagrams21.com,hopefully can help you. Read the any books now and unless you have time and effort to learn, it is possible to download any ebooks to your smartphone and check later. Radio wiring diagram for 1989 chevy s10. Technologies have developed, and reading 1989 s10 steering column wiring diagram books can be easier and easier. We could read books on our. Read or download s10 blazer wiring diagram for free wiring diagram at ajaxdiagram.frontepalestina.it. Adjacent to, the publication as capably as sharpness of this wiring diagram 1989s 10 can be taken as well as picked to act.

Wiring harness diagram for the engine and transmission.

You can download it to your computer through easy steps. A chevy s10 wiring diagram is located within the service manual. Forum diagram 1994 chevrolet s10 blazer wiring diagram. It outlines the location of each component and its function. Dan u0026 39 s motorcycle u0026quot wiring diagrams u0026quot. Got a 89 s10 4 3 with auto trans someone else pulled the. 1989 grand wagoneer factory wiring diagram. These diagrams are scanned from the 11 x 5' or so long & split into overlapping diagrams so 1989 electrical diagrams complete set in a zip file complete set in 1 winzip file (approx 11 megs). 91 s10 wiring diagram database. Tail light wiring digram for a 1989 chevy s10. 1990 wiring diagrams this section is. Everybody knows that reading 91 s10 wiring diagram is beneficial, because we could get enough detailed information online from the reading materials. Shematics electrical wiring diagram for caterpillar loader and tractors.

Iklan Atas Artikel

Iklan Tengah Artikel 1

Iklan Tengah Artikel 2

Iklan Bawah Artikel